Por: Alejandro Weber (LU1MAW)
Artículo Original Aquí
Siempre quise hacer un receptor regenerativo para experimentar su funcionamiento muy particular y cuando me puse a ordenar mi taller hace unos meses atras encontre unas cajas de metal que alguna vez hice plegar para meter los experimentos que iba haciendo, en particular las hice para alojar unos transversores de 27MHz a 7MHz, lo cual nos permitiria usar los equipos de CB en 40m cuando apenas sacamos la licencia de radioaficionado alla por 1994.
Finalmente hicimos dos de esos equipos y me quedaron como 5 cajas de metal que con el paso del tiempo se apilaron en algun lugar de mi taller.
Luego comence a pensar que podria hacer ya que tenia unos dias a la tarde libres y con ganas de hacer algo de radio me dedique a leer el handbook de ARRL y recorde mi materia pendiente de hacer un receptor regenerativo para HF.
Me gustan los receptores de mucha cobertura y empece descartando los circuitos que tienen bobinas de realimentacion positiva (tickler coil) porque no me permitiria hacerlo facilmente multibanda, ya que para eso tendria que intercambiar bobinas completas.
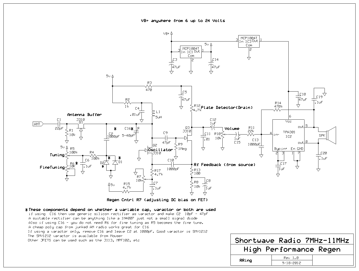
La solucion fue cuando encontre un circuito que su realimentacion positiva es a traves del source de uno de los FETs y no por otro metodo. Al lograr el efecto de regeneracion de esta manera es mas posible intercambiar bobinas con una llave rotativa simple.
Un circuito muy parecido se uso en el diseño de TenTec 1253, el cual tiene 9 bandas para intercambiar con un contador y diodos rapidos. El selector de bandas en el TenTec es digital.

Yo queria darle un estilo “vintage” a la carcaza un poco en honor a los primeros regenerativos que usaban los aficionados de hace varias decadas atras. Lo que hice fue usar dos tapas de las cajas metalicas que tenia, una para el chasis y la otra para el frente. La caja finalmente seria de madera lustrada.
El circuito que use fue el que se propone en el sitio de Ray Charles (circuit salad)
http://circuitsalad.com/2012/09/30/a-high-performance-regenerative-radio/
![]() |
|
| Circuit Salad Regen Receiver |
En mi caso yo use FETs 2n3819 y me costo un poco hacerlo andar porque tuve que modificar los valores de C8=0.1uF, R13=220 y R8=33K. El metodo que use es del tipo manhattan y estas son las imagenes:
Para el dial use un capacitor de 465pF y una reduccion en un principio de 8:1, pero luego de usar el radio le saque completamente la polea mas pequeña y le hice un torneado al eje de la perilla directamente.
A la derecha arriba se observa el dial principal y abajo el ajuste de un diodo 1N4007 haciendo de varicap para una sintonia mas fina. A la izquierda arriba se ve el control de bandas hecho con una llave rotativa de ventilador de 3 posiciones y que luego reemplace por una de 9 posiciones que tenia entre la basura electronica que junto “por si acaso”.
Continuando con el estilo vintage, le hice un dial iluminado con leds de alta intensidad de color amarillo. Para que la luz no se vea muy puntual lo que hice fue limarle a los 4 leds de 3mm la parte superior dejandola plana y rugosa, de esa manera la luz sale mas difuminada y se parece mas a un foco comun (aunque tal vez demasiado amarilla).
Fue muy rapido hacer el circuito, me tarde mucho mas en todo lo demas, pero creo que logra darle el espiritu vintage que queria. El audio obtenido es realmente muy bueno, con mucha fidelidad, la parte mas complicada es sintonizar CW pero con el 1N4007 fue mucho mas sencillo ya que se controla desde un potenciometro y si la idea es usarlo solo para eso, recomendaria usar un potenciometro multivueltas para la sintonia fina. Como amplificador de audio utilice un circuito destripado de un set de parlantes para PC que funciona con 12v


















